東莞市貢福電子有限公司
電話:0769-82391938
0769-81100206
傳真:0769-82391939
地址:東莞市寮步鳧山星銳工業(yè)園B棟3樓
呂先生:15622511589
小呂:15622511110
陳先生:18922960825
江小姐:18922960826
E-mail:lvbin@fuse168.com
E-mail:gf@gfefuse.cn
E-mail:sales@gfefuse.cn
E-mail:jsr@gfefuse.cn
產品展示當前位置:首頁 > 產品展示
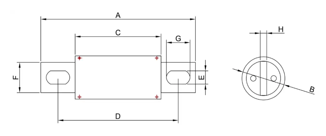
| S. | Amps | A±1.5 | B±1 | C±1 | D±1.5 | E±1.5 | F±0.5 | H±0.5 | G±0.5 |
| 26R | 30-150A | 127.00 | 26.00 | 79.00 | 103.00 | 8.50 | 20.00 | 3.00 | 13.00 |
| 38R | 125-400A | 142.00 | 38.00 | 85.00 | 113.50 | 10.50 | 25.00 | 6.00 | 20.00 |
| 51R | 225-800A | 145.00 | 51.00 | 88.00 | 116.50 | 10.50 | 40.00 | 6.00 | 20.00 |
| Rated Current | Catalog no. | Average @50KA/1000Vdc | Watts Loss | Approvals | |||
| Melting A2S | Clearing A2S | ROHS | |||||
| 26 mm diameter case | 30 | 30A | GFEVF1000-30A-26R | 158 | 1360 | 9 | ● |
| 35 | 35A | GFEVF1000-35A-26R | 218 | 1751 | 10 | ● | |
| 40 | 40A | GFEVF1000-40A-26R | 312 | 2189 | 11 | ● | |
| 50 | 50A | GFEVF1000-50A-26R | 489 | 3064 | 14 | ● | |
| 60 | 60A | GFEVF1000-60A-26R | 697 | 4378 | 16 | ● | |
| 70 | 70A | GFEVF1000-70A-26R | 1144 | 6041 | 17 | ● | |
| 80 | 80A | GFEVF1000-80A-26R | 1612 | 8492 | 19 | ● | |
| 90 | 90A | GFEVF1000-90A-26R | 1976 | 9888 | 20 | ● | |
| 100 | 100A | GFEVF1000-100A-26R | 2912 | 14420 | 22 | ● | |
| 125 | 125A | GFEVF1000-125A-26R | 4536 | 28462 | 27 | ● | |
| 150 | 150A | GFEVF1000-150A-26R | 6218 | 35438 | 42 | ● | |
| Rated Current | Catalog no. | Average @50KA/1000Vdc | Watts Loss | Approvals | |||
| Melting A2S | Clearing A2S | ROHS | |||||
| 38 mm diameter case | 125 | 125A | GFEVF1000-125A-38R | 5040 | 32582 | 23 | ● |
| 150 | 150A | GFEVF1000-150A-38R | 6615 | 41891 | 36 | ● | |
| 175 | 175A | GFEVF1000-175A-38R | 7875 | 60509 | 43 | ● | |
| 200 | 200A | GFEVF1000-200A-38R | 12285 | 74472 | 46 | ● | |
| 225 | 225A | GFEVF1000-225A-38R | 14320 | 84199 | 59 | ● | |
| 250 | 250A | GFEVF1000-250A-38R | 15624 | 103219 | 77 | ● | |
| 275 | 275A | GFEVF1000-275A-38R | 16800 | 111800 | 84 | ● | |
| 300 | 300A | GFEVF1000-300A-38R | 25415 | 149404 | 94 | ● | |
| 350 | 350A | GFEVF1000-350A-38R | 34477 | 209377 | 104 | ● | |
| 400 | 400A | GFEVF1000-400A-38R | 43083 | 289502 | 112 | ● | |
| Rated Current | Catalog no. | Average @50KA/1000Vdc | Watts Loss | Approvals | |||
| Melting A2S | Clearing A2S | ROHS | |||||
| 51 mm diameter case | 225 | 225A | GFEVF1000-225A-51R | 17184 | 91941 | 59 | ● |
| 250 | 250A | GFEVF1000-250A-51R | 20160 | 113848 | 72 | ● | |
| 275 | 275A | GFEVF1000-275A-51R | 23655 | 136780 | 78 | ● | |
| 300 | 300A | GFEVF1000-300A-51R | 29857 | 157932 | 80 | ● | |
| 350 | 350A | GFEVF1000-350A-51R | 41927 | 222453 | 89 | ● | |
| 400 | 400A | GFEVF1000-400A-51R | 54874 | 309150 | 96 | ● | |
| 450 | 450A | GFEVF1000-450A-51R | 61057 | 337500 | 111 | ● | |
| 500 | 500A | GFEVF1000-500A-51R | 67209 | 351880 | 136 | ● | |
| 550 | 550A | GFEVF1000-550A-51R | 70450 | 389650 | 142 | ● | |
| 600 | 600A | GFEVF1000-600A-51R | 73658 | 495196 | 150 | ● | |
| 630 | 630A | GFEVF1000-630A-51R | 82777 | 518336 | 163 | ● | |
| 700 | 700A | GFEVF1000-700A-51R | 201653 | 634500 | 208 | ● | |
| 800 | 800A | GFEVF1000-800A-51R | 239085 | 744930 | 241 | ● | |
電話:0769-82391938 0769-81100206
傳真:0769-82391939
呂先生:15622511589 lvbin@fuse168.com
小呂:15622511110 gf@gfefuse.cn
陳先生:18922960825 sales@gfefuse.cn
江小姐:18922960826 jsr@gfefuse.cn

中文
EN
全國銷售與服務熱線